SK系列水環式真(zhēn)空泵及壓縮機(jī)是用來抽吸或(huò)壓縮空氣和♉其(qí)它👉無腐蝕性、不(bu)溶于水、不含固(gu)體顆粒的氣體(ti),以便在密閉容(rong)器中形成真空(kong)和壓力,吸入氣(qi)體中允許混有(yǒu)少量液體。 SK系列(lie)水環式真空泵(bèng)及壓縮機被廣(guǎng)泛應用于機械(xiè)、石油化工、制藥(yào)、食品、制糖工業(yè)及電子領域。由(you)于在工作過程(cheng)中,氣❤️體的壓縮(suo)過程是等溫的(de),所以在壓👌縮和(he)抽吸易爆炸氣(qì)體時,不易發生(shēng)危險,所以其應(ying)用更加廣泛。 工(gong)作真空範圍為(wei)-0.03---0.08MPa。 |
注:一(yi)、表内數值是在(zài)下列條件下得(dé)出:
1. 水溫15℃ 2. 空氣20℃ 3. 氣(qì)體相對濕度70% 4. 大(da)氣壓力0.1013MPa | 二(èr)、抽氣量偏差不(bu)超過±10% 附:外形及(jí)安裝尺寸圖 · |
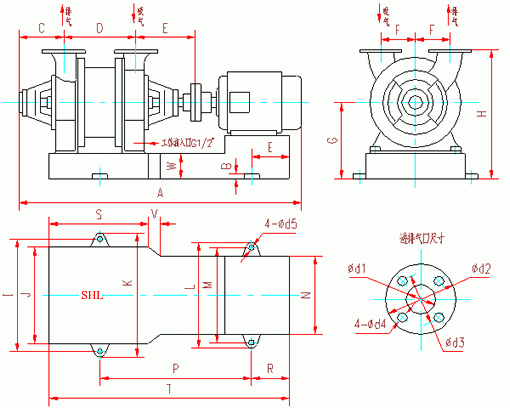
SK-0.4、SK-0.8水(shuǐ)環式真空泵及(ji)壓縮機外形及(ji)安裝尺寸圖 
SK-0.4、SK-0.8水環式(shì)真空泵及壓縮(suō)機外形及安裝(zhuāng)尺寸圖 |


代(dài)号 | A | B | C | D | E | F | G | H | I | J | K | L | M | N | SK-15 | 947 | 25 | 172 | 180 | 215 | 130 | 289 | 475 | 420 | 355 | 470 | 392 | 342 | 248 | SK-3 | 1122 | 25 | 172 | 260 | 215 | 130 | 289 | 475 | 454 | 355 | 504 | 420 | 370 | 300 | 代号 | P | R | S | T | W | d1 | d2 | d3 | d4 | d5 | Z | V | 底(di)腳螺栓 | SK-1.5 | 513 | 100 | 260 | 735 | 177 | 70 | 160 | 130 | 14 | 18 | 187 | 40 | M16×400 | SK-3 | 640 | 100 | 370 | 900 | 177 | 70 | 160 | 130 | 14 | 18 | 195 | 60 | M16×400 |
SK-1.5、SK-3水環式(shì)真空泵及壓縮(suo)機用氣水分離(lí)器外形及安裝(zhuang)❌尺寸 
A | B | C | D | E | F | G | H | I | J | K | L | M | N | P | R | 240 | 50 | 760 | 500 | 70 | 620 | 380 | 965 | 40 | 230 | 70 | 300 | 150 | 150 | 140 | 275 | Z1 | Z2 | Z3 | Z4 | Z5 | d1 | d2 | d3 | d4 | d5 | d6 | d7 | d8 | d9 | 0 | - | G3/8" | G1" | G1/2" | G1/2" | G1.5" | 14 | 160 | 65 | 130 | 90 | 12 | 65 | 15 | 14 | 45° | - |
 SK-6、SK-12、SK-20真空(kōng)泵、壓縮機及SK-30真(zhēn)空泵底腳安裝(zhuang)尺寸  SK-30壓縮機及(jí)SK-42真空泵底腳安(an)裝尺寸 
SK-6、SK-12、SK-30水(shuǐ)環式真空泵及(ji)壓縮機氣水分(fèn)離器外形尺寸(cun)圖 
代号 | A | B | C | D | E | F | G | H | I | J | K | Z1 | Z1' | Z2 | n | d1 | d2 | d3 | d4 | SK-6 | 740 | 320 | 250 | 500 | 60 | 80 | 220 | 870 | 1030 | 140 | 500 | 1.5" | 2.5" | G1/2" | 4 | 160 | 130 | 65 | 14 | SK-12 | 910 | 400 | 250 | 650 | 60 | 80 | 260 | 1080 | 1230 | 140 | 500 | 1.5" | 2.5" | G1/2" | 4 | 185 | 150 | 80 | 18 | SK-30 | 1070 | 610 | 250 | 650 | 60 | 80 | 260 | 1130 | 1408 | 140 | 500 | 1.5" | 2.5" | G1/2" | 8 | 235 | 200 | 125 | 18 |
注:SK-20、SK-42與SK-30分離器(qi)通用  底腳安裝(zhuāng)尺寸 
代号 | A1 | A2 | A3 | B | C | D | D1 | D2 | E1 | E2 | F | H | H1 | H2 | H3 | H4 | SK-60 | 1283 | 1430 | 620 | 1020 | 1088 | 1000 | 1089 | 1170 | 500 | 465 | 100 | 1915 | 695 | 525 | 1025 | 1474 | SK-85 | 1283 | 1430 | 660 | 1020 | 1158 | 1000 | 1089 | 1170 | 500 | 465 | 100 | 1915 | 695 | 550 | 1110 | 1474 | SK-120 | 1773 | 1528 | 620 | 1330 | / | 1400 | 1512 | 1612 | 640 | 705 | 100 | 2458 | 945 | 600 | 1255 | 1970 | 代号 | H5 | I | J | K | L | L1 | L2 | L3 | M1 | M2 | N1 | N2 | P1 | P2 | S | T | SK-60 | 750 | 35 | 80 | 305 | 1928 | 1305 | 1000 | 815 | 1215 | 830 | 620 | 490 | 940 | 910 | 153 | 260 | SK-85 | 750 | 35 | 80 | 305 | 2178 | 1510 | 1125 | 915 | 1465 | 990 | 690 | 630 | 940 | 1160 | 153 | 280 | SK-120 | 1000 | 50 | 150 | 520 | 2340 | 1445 | 1224 | 926 | 1740 | 960 | 710 | 620 | 1210 | 1240 | 250 | 300 | 代号 | a | b | c | d | e | f | g | h | i | j | k | x | G | 底腳螺栓(shuan) | SK-60 | 370 | 250 | 335 | 18 | 205 | 100 | 170 | 18 | 18 | 36 | 36 | 15° | G1" | M30×500 | SK-85 | 370 | 250 | 335 | 18 | 205 | 100 | 170 | 18 | 18 | 36 | 36 | 15° | G1" | M30×500 | SK-120 | 435 | 300 | 395 | 23 | 205 | 100 | 170 | 18 | 18 | 48 | 48 | 0 | G1.25" | M42×630 |

| 技術參數 | 型号 | 抽氣量 (米3/分(fèn)) | 極限真空(kong) (MPa) (毫米汞柱) | 功率 (千瓦) | 泵轉速 (轉/分) | 供水量 (L/min) | 口徑 (mm) | 泵重(zhong) (含電機) (Kg) | 最(zuì)大 | 吸入壓(ya)力為 -0.093MPa (-700mmHg) | 進 | 出 | 2SK-1.5 | 1.5 | 0.9 | -0.097(-725) | 4 | 1440 | 12-10 | 40 | 40 | 140 | 2SK-3 | 3 | 2 | -0.097(-725) | 7.5 | 1440 | 15-20 | 40 | 40 | 180 | 2SK-6 | 6 | 4 | -0.098(-735) | 15 | 1460 | 25-35 | 50 | 50 | 250 | 2SK-12 | 12 | 8 | -0.098(-735) | 22 | 970 | 40-50 | 100 | 100 | 400 | 2SK-20 | 20 | 14 | -0.098(-735) | 45 | 740 | 60-80 | 125 | 125 | 550 | 2SK-30 | 30 | 20 | -0.098(-735) | 55 | 741 | 60-80 | 125 | 125 | 70 |
| | | 性能曲線圖 |


代(dài)号 | A | A' | B | B' | C | D | D' | E | F | G | H | I | J | K | L | 2SK-1.5P1 | 605 | / | 360 | 360 | 950 | 410 | 410 | 1150 | 422 | 485 | 270 | 30 | 125 | 214 | 162 | 2SK-3P1 | 710 | / | 400 | 400 | 1136 | 460 | 460 | 1346 | 417 | 491 | 265 | 35 | 159 | 214 | 157 | 2SK-6P1 | 863 | / | 420 | 420 | 1391 | 470 | 470 | 1623 | 500 | 608 | 315 | 30 | 218 | 234 | 183 | 2SK-12P1 | 1038 | / | 520 | 460 | 1642 | 580 | 520 | 1965 | 615 | 750 | 375 | 30 | 216 | 246 | 183 | 2SK-20P1 | 700 | 700 | 690 | / | 1972 | 750 | / | 2306 | 840 | 1004 | 500 | 30 | 306 | 283 | 225 | 2SK-30P1 | 810 | 750 | 720 | / | 2215 | 780 | / | 2715 | 840 | 1004 | 500 | 30 | 344 | 283 | 225 | 代号 | M | N | P | S | T | Z | n1 | n2 | d1 | d2 | d3 | d4 | d5 | d6 | d7 | 2SK-1.5P1 | 264 | 162 | 99 | 180 | 360 | G1/2" | 4 | 4 | 14 | 92 | 120 | 18 | 110 | 150 | 14 | 2SK-3P1 | 344 | 162 | 99 | 357 | 570 | G1/2" | 4 | 4 | 18 | 120 | 152 | 18 | 110 | 150 | 14 | 2SK-6P1 | 429 | 210 | 99 | 515 | 734 | G1/2" | 4 | 4 | 18 | 120 | 152 | 18 | 125 | 160 | 18 | 2SK-12P1 | 599 | 280 | 120 | 565 | 800 | G1/2" | 6 | 6 | 14 | 150 | 180 | 14 | 170 | 200 | 27 | 2SK-20P1 | 619 | 350 | 180 | 774 | 1022 | G3/4" | 8 | 8 | 18 | 200 | 235 | 18 | 200 | 235 | 27 | 2Sk-30P1 | 749 | 350 | 180 | 1016 | 1264 | G3/4" | 8 | 8 | 18 | 200 | 235 | 18 | 200 | 235 | 27 |
|